KFA Rohový ventil so sitkom 1/2"×3/4", 707-010-20
Kvalitný rohový ventil so sitkom 1/2"x3/4"




KFA Rohový ventil so sitkom 1/2"×3/4" – Kvalita, ktorú pocítite
Hľadáte maximálnu ochranu pre vašu vodovodnú batériu? KFA rohový ventil s integrovaným filtrom je navrhnutý pre tých, ktorí vyžadujú nekompromisnú odolnosť a čistotu vody. Vďaka masívnej konštrukcii a pokročilej filtrácii chráni citlivé keramické kartuše batérií pred nečistotami z potrubia.
| ✅ Záruka až 15 rokov |
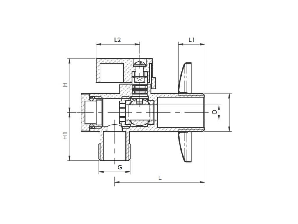
KFA rohový ventil - rozmery

| D | 1/2" |
| G | 3/4" |
| H | 28,5 mm |
| L | 47,8 mm |
| L1 | 14 mm |
| L2 | 23 mm |
Prečo si vybrať rohový ventil KFA?
- Nadštandardná záruka 15 rokov: Dlhá životnosť je potvrdená predĺženou záručnou dobou a servisnou podporou (oprava do 48 hodín), čo vám dodá istotu na dlhé roky.
- Masívna konštrukcia z mosadze CW617N: Kvalitu tohto ventilu môžete doslova „odvážiť“. Naše ventily sú v priemere o 11 % ťažšie než konkurenčné modely, čo zaručuje ich mimoriadnu mechanickú odolnosť.
- Zdravotná nezávadnosť (Bez niklu): Vnútorné povrchy a závity nie sú niklované. To má priamy vplyv na kvalitu pitnej vody – koncentrácia niklu pri použití našich ventilov nepresahuje 20 ml/l.
- Vysoká tepelná odolnosť: Ventil je konštruovaný tak, aby spoľahlivo pracoval pri teplotách až do 90 °C a tlaku 10 barov.
- Prísna kontrola kvality: Každý kus prechádza kontrolou kvality, ktorá potvrdzuje súlad s najprísnejšími európskymi normami.
Prečo si vybrať značku KFA?
Armatúra KFA je známa svojou dlhou životnosťou a precíznym spracovaním. Investíciou do kvalitného kombinovaného ventilu predídete nečakaným nákladom na opravy spôsobené netesnosťami lacných náhrad.
Dodatočné parametre
| Kategória: | Rohové ventily pre práčku, umývačku |
|---|---|
| Záruka: | 15 rokov |
| Hmotnosť: | 0.15 kg |
| EAN: | 5907571700467 |
| Veľkosť závitu: | 3/4" |
| Typ ovládania: | páka |
| Materiálové zloženie: | pochrómovaná mosadz |
| Rozmer závitu: | 1/2" |
| Dimenzia tvarovky: | DN 10 |
| Max. tlak: | 10 bar |
| Max. teplota: | 100 °C |
| Normy: | ISO 228 (DIN EN ISO 228, BS EN ISO 228) |
Hodnotenie tovaru
Buďte prvý, kto napíše príspevok k tejto položke.
Diskusia
Buďte prvý, kto napíše príspevok k tejto položke.
Len registrovaní používatelia môžu pridávať príspevky. Prosím prihláste sa alebo sa zaregistrujte.
KFA Armatura: Tradícia a inovácie od roku 1922
KFA Armatura je popredným výrobcom moderných riešení v oblasti sanitárnej techniky a vykurovacích zariadení. Príbeh značky sa začal písať už v roku 1922 otvorením továrne v krakovskej štvrti Łagiewniki. Pôvodné zameranie na precízne odlievanie neželezných kovov sa počas uplynulého storočia transformovalo do výroby špičkových armatúr, ktoré dnes definujú štandardy kvality a dizajnu.
Prečo si vybrať produkty KFA Armatura?
- Viac ako 100 rokov skúseností v odbore.
- Vysoká odolnosť vďaka hlbokým znalostiam metalurgie a spracovania kovov.
- Moderný dizajn, ktorý sleduje aktuálne svetové trendy v bývaní.
- Záruka kvality, za ktorou si stoja tisícky spokojných domácností po celej Európe.
