KFA Guľový ventil s filtrom 1", FF páka, 708-010-25
Guľový ventil s filtrom FF, páka, ✔️16bar, ✔️95°C




KFA Guľový ventil s filtrom 1" – Masívna ochrana a čistá voda
Zabezpečte svoj systém kúrenia alebo rozvod vody komponentom, ktorý prežije generácie. Tento guľový ventil od poľského lídra KFA Armatura nie je len obyčajným uzáverom. Vďaka integrovanému filtru chráni vaše drahé zariadenia (kotly, batérie, práčky) pred nečistotami a zároveň garantuje najvyššiu zdravotnú nezávadnosť vody.
| ✅ Extrémna odolnosť 16bar |
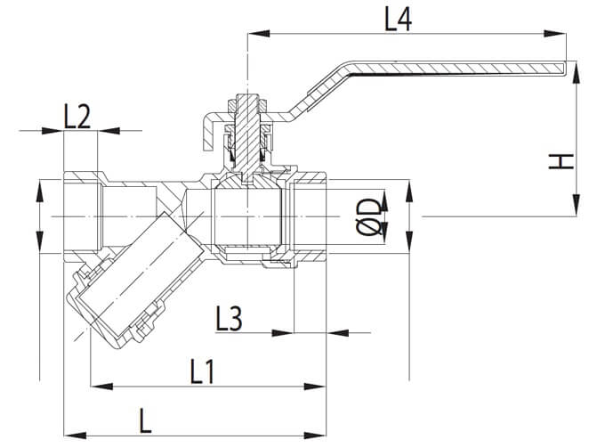
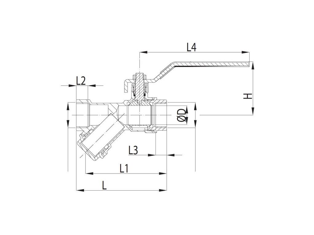
KFA Guľový ventil rozmery

| D | 1" |
| H | 59,3 mm |
| L | 96 mm |
| L1 | 99,5 mm |
| L2 | 16 mm |
| L3 | 14 mm |
| L4 | 114,5 mm |
Prečo je ventil KFA s filtrom špičkou na trhu?
- Extrémna odolnosť (16 bar / 95 °C): Na rozdiel od štandardných ventilov je tento model dimenzovaný na vyššiu záťaž. Zvládne tlak až 16 bar a teploty do 95 °C, čo z neho robí ideálnu voľbu pre náročné systémy ústredného kúrenia aj rozvody teplej vody.
- Hmotnosť, ktorá znamená kvalitu: KFA ventily sú priemerne o 11 % ťažšie než konkurencia. Masívne steny z prémiovej mosadze CW617N znamenajú, že sa pri montáži nedeformujú a v prevádzke nepraskajú.
- Bezpečný pre pitnú vodu (Nickel-Free): Vnútorné časti a závity ventilu nie sú niklované. To zaisťuje, že vaša voda tak zostáva čistá a bez kovovej pachute.
- 15-ročná záruka: KFA si za svojou "Heavy Duty" konštrukciou stojí. Dlhá záručná doba a rýchly servis sú dôkazom, že kupujete produkt s garantovanou životnosťou.
- Integrovaná filtrácia: Vďaka zabudovanému sitku šetríte miesto pri inštalácii a zároveň predlžujete životnosť celého systému zachytávaním mechanických nečistôt.
Dodatočné parametre
| Kategória: | Guľové ventily s filtrom |
|---|---|
| Záruka: | 15 rokov |
| Hmotnosť: | 0.6 kg |
| EAN: | 5907571700528 |
| Veľkosť závitu: | 3/4" |
| Typ ovládania: | páka |
| Materiálové zloženie: | mosadz CW617N |
| Materiálové zloženie gule: | pochromovaná mosadz |
| Max. tlak: | 16 bar |
| Max. teplota: | 95 °C |
| Rozmer závitu: | 3/4" |
| Dimenzia tvarovky: | DN 20 |
Hodnotenie tovaru
Buďte prvý, kto napíše príspevok k tejto položke.
Diskusia
Buďte prvý, kto napíše príspevok k tejto položke.
Len registrovaní používatelia môžu pridávať príspevky. Prosím prihláste sa alebo sa zaregistrujte.
KFA Armatura: Tradícia a inovácie od roku 1922
KFA Armatura je popredným výrobcom moderných riešení v oblasti sanitárnej techniky a vykurovacích zariadení. Príbeh značky sa začal písať už v roku 1922 otvorením továrne v krakovskej štvrti Łagiewniki. Pôvodné zameranie na precízne odlievanie neželezných kovov sa počas uplynulého storočia transformovalo do výroby špičkových armatúr, ktoré dnes definujú štandardy kvality a dizajnu.
Prečo si vybrať produkty KFA Armatura?
- Viac ako 100 rokov skúseností v odbore.
- Vysoká odolnosť vďaka hlbokým znalostiam metalurgie a spracovania kovov.
- Moderný dizajn, ktorý sleduje aktuálne svetové trendy v bývaní.
- Záruka kvality, za ktorou si stoja tisícky spokojných domácností po celej Európe.
